DUOMAI MECHANICAL
With perfect quality control system and processing equipment
中文
Home
Company
Products
News
Honor
Download
Jobs
Contact us
产品展示
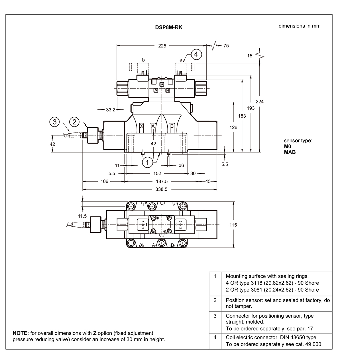
41505 DS (P) * m reversing valve with spool position monitoring
关键词:
咨询电话:15251908567
产品描述
返回
产品分类
Klay Instruments.科莱仪表
HONSBERG.豪斯派克
DUPLOMATIC.迪普马
SELI.赛立
MARTENS.马腾斯
ACE Controls.艾习易
TESTO BE SURE.德图
蓝点
西克
凌科自动化
阿法拉伐
施迈茨
津田驹工业株式会社
麦克
TOP
0519-68231080
Wechat QR code